Domovní zvonek
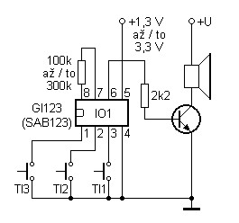
Jak je vidět ze základního zapojení, stačí obvodu GI123 k funkci jen několik vnějších součástek. Stikneme-li tlačítko připojené k vývodu 1, ozve se z reproduktoru zvuk tříhlasého gongu. Podobně se ozve po stisku tlačítka připojeného k vývodu 2 dvouhlasý, resp. po stisku tlačítka připojeného k vývodu 3 jednohlasý gong. Obvod GI123 má v klidovém stavu zanedbatelný odběr proudu. Po stisku tlačítka se zvětší asi na 3 mA a zároveň se na výstupu obvodu (vývod 6) objeví stejnosměrné napětí asi 1 V. Výstupní signál je superponován k tomuto napětí. Základní parametry obvodu jsou v tab. 1.
| Tab. 1. Základní parametry obvodu GI123 (SAB123) Table 1. Basic electrical characteristics
|
Postavil jsem s tímto obvodem jednoduchý domovní zvonek. Schéma zapojení je na obr. 2. Základní zapojení je doplněno usměrňovačem a stabilizátorem, aby bylo možné napájet gong přímo z domovního rozvodu. Kladná půlvlna napětí ze zvonkového transformátoru prochází diodami D1 (kterou je třeba připojit paralelně k tlačítku) a D2 a nabíjí kondenzátor C1. Pokud stiskneme tlačítko zvonku, otevře záporná půlvlna tranzistor T2 a aktivuje integrovaný obvod. Kondenzátor C3 zabraňuje falešnému spuštění obvodu rušivými impulsy, při větším rušení můžeme zvětšit jeho kapacitu. V případě potřeby zde můžeme použít i elektrolytický kondenzátor na větší napětí (10 µF/63 V), avšak musíme počítat s tím, že při trvalém stisku tlačítka, kdy je na tomto kondenzátoru střídavé napětí, se za nějaký čas zničí. Kondenzátor C4 lze ze zapojení vypustit - pak je obvod gongu spouštěn každou zápornou půlvlnou a při trvalém stisku tlačítka zvonku se z reproduktoru ozývají nepravidelné zvuky. Naopak po zapojení C4 je v tomto případě gong znovu spuštěn až po doznění.

Obr. 2. Zapojení gongu s obvodem GI123
Figure 2. Door bell with GI123
V původním zapojení tekl tranzistorem T3 proud asi 50 mA, způsobený rozdílem mezi výstupním napětím IO a prahovým napětím tranzistoru T3. Tento proud jsem podstatně omezil zapojením diody D4 v emitoru T3, aniž by se zmenšila hlasitost zvonku. Jinou možností je zapojit na místě T3 dva tranzistory v Darlingtonově zapojení nebo integrovanou dvojici, např. BD679 a místo diody D4 zapojit propojku. Hlasitost gongu bude v tomto případě větší. Deska s plošnými spoji a rozmistění součástek je na obr. 3. Gong vestavíme spolu s reproduktorem do vhodné skříňky. S výhodou můžeme použít reproduktorovou skříňku od walkmana, kterou lze levně sehnat na tržišti. Na impedanci reproduktoru příliš nezáleží, v případě potřeby lze hlasitost upravit změnou odporu rezistoru R4.

Obr. 3. Deska s plošnými spoji gongu. Kliknutím získáte obrázek v rozlišení 600 dpi
Figure 3. Gong PCB layout. Click to get 600 dpi resolution image

Obr. 4. Rozmístění součástek na desce
Figure 4. Locations of components on the board
Seznam součástek:
| R1 | 22 kOhm | D1, D2, D4 | 1N4001 | |
| R2, R4 | 2,2 kOhm | D3 | BZX83V003.9 | |
| R3 | 180 kOhm | T1, T2 | BC238 (BC546, ...) | |
| C1 | 1000 µF/ 16 V | T3 | BC639 | |
| C2, C4 | 10 µF/50 V | IO1 | GI123 (SAB123) | |
| C3 | 100 nF/63 V, fóliový / film | Deska s plošnými spoji | bcs19 | |
| Reproduktor / Speaker | 8 Ohm | |
Komentáře
Přehled komentářů
zdravim,ja sa chcem opytat,robim tuto pracu ako maturitu co mi treba.ale dozvedel som sa,ze tento IO,ktory je pouzity,sa uz nepredava,tak sa chcem opytat,ci sa neda nahradit za niejaky iny?dakujem
Re: Otazka
(Kostrlík, 13. 4. 2017 9:59)Tak to jste mě rozesmál :D , k maturitě tento jednoduchý obvod. :-) :-) :-) . Za nás jsme stavěli celé zesilovače. Jiná doba jiný mrav.
NEPRODÁVÁSE
(Jirka, 29. 12. 2012 16:59)
Chtěl bych se zeptat jestli se tá ten IO nahradit něčím jiným.
Děkuji za odpověď
dratek000@seznam.cz

Otazka
(Ondro, 10. 11. 2008 14:37)