AM bezdrátový mikrofon
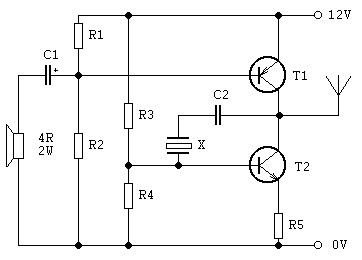
Dosah vasílače je 25 m a dá se případně zvětšit. Výhodou zapojení je, že neobsahuje cívku. Kmitičet je určen krystalem, což má za následek velice stabilní vysílací kmitočet. Reproduktor zde slouží jako mikrofon. Oscilátor se zde sklárá z T2, X, C2, R3, R4, R5. Krystal vytváří nosný kmitočet 12MHz. Může být použit jakýkoliv krystal s frekvencí v krátkovlném pásmu. Jako anténa je zde použit dlouhý drát. Vysílané signály mohou být zachyceny na jakémkoliv krátkovlnném příjmači.
Seznam součástek:
| R1 | 4K7 |
| R2 | 47K |
| R3 | 100K |
| R4 | 10K |
| R5 | 22R |
| C1 | 100uF/16V |
| C2 | 10nF |
| T1 | 2N2904A |
| T2 | 2N3053 |
| X | krystal 12 MHz |
Komentáře
Přehled komentářů
jak muse reprak fungovat jako mikrofion
Re: rščě
(JAI, 30. 8. 2021 11:13)
Tím jak se pohybuje magnet repruduktoru v cívce, tak vytváří elektrický signál.
otazka
(JURAJ, 22. 1. 2012 13:35)da sa na miesto kristalu pouzit aj cievka a kolko by mala mat zavitou a na jaku hrubku by sa mala navijat ? dakujem :)


rščě
(ewrěrěr, 12. 9. 2012 20:18)