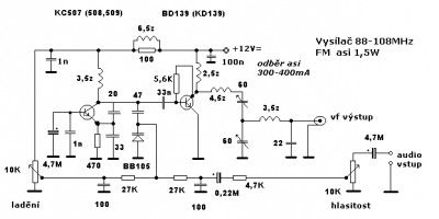
Vysílač FM 88-108 Mhz
Schéma zapojení:

Tento vysílač je určen k vysílání zvuku (hudby, řeči, ...) na frekvencích 88-108MHz s frekvenční modulací.
Jeho výkon je asi 1,5W. První tranzistor slouží jako vf oscilátor. Varikap umožňuje rozlaďování oscilátoru,
a tím jeho modulaci a nastavení frekvence pomocí potenciometru. Varikap nemusí být právě BB105, lze
použít BB409, BB109G, KB109G nebo jiný typ.
Druhý tranzistor je koncový stupeň. Výstupní signál jde skrz filtr, aby se odstranily harmonické a pak
už následuje anténa, tj. dipól nebo nějaká Jagina pokud to chcete líp směrovat. O chladiči na druhý trandík
doufám nemusím mluvit, asi 100 cm2.
Když tak člověk prochází internet a hledá schéma nějakého vysílače, najde jich spousty, ale při pohled
ty tranzistory, které by někde sehnal leda ve snu a eště za svoje měsíční kapesný, tak je určitě na místě
použití těchhle dvou starých dobrých šlupek (KC507 asi 2,70Kč, BD139 6,30).
O nelegalitě pirátského vysílání, ke kterému je tento vysílač téměř výhradně určen, se doufám
nemusím zmiňovat. A ani o tom, že samozřejmě toto schéma zveřejňuji jenom pro zajímavost
a rozhodně ne proto, aby tento obvod případně někdo konstruoval, natož používal.
Zdroj: neznámý. Schéma, popis: Volta190 (c)
Komentáře
Přehled komentářů
E-mail: antony.machac@gmail.com
Telefon: 0220130768555
Předmět: poptavka
Text zprávy:
pozor, t.cislo je do gambie, proto je lepsi mail
xxxxxxxxxxxxxxxxxxxxxxxxx
shanime vysilacku na cca 50km ktera vysila na nejakem pasmu ktere prijima jakekoliv standartni radio,
stara se nam utopila
zarizeni potrebujeme na cca 20 mesicni expedici do gambie, nebude pouzivano v cr
ndndnd
(hfhchc, 14. 2. 2013 19:27)To zapojeni je total kravina prote ze otpor na r1 musibyt 8r protoze generovany signal je 88-105Mhz a diferencialny činitel je na ccm pásmo
radio
(lukys, 2. 8. 2012 16:18)chtel bych se zeptat jestli kdys budo toho vysilače mluvit jestli se uslisim v radiu
Re: dotaz
(Jarosaurus , 26. 7. 2012 20:38)
10 - 30 kHz myriametrové 100 - 10 km velmi dlouhé
30 - 300 kHz kilometrové 10 - 1 km dlouhé
300 - 3000 kHz hektometrové 1000 - 100 m střední
3 - 30 MHz dekametrové 100 - 10 m krátké
30 - 300 MHz metrové 10 - 1 m velmi krátké
300 - 3000 MHz decimetrové 10- 1 dm ultra krátké
3 - 30 GHz centimetrové 10 - 1 cm centimetrové
30 - 300 GHz milimetrové 10 - 1 mm milimetrové
300 - 3000 GHz decimilimetrové 1 - 0,1 mm
...
(..., 10. 5. 2008 13:19)slupky za 2,70 sou k ncemu kdyz nevis presny rozmery civky omg:D::DD:D:D

poptavka
(antony.macha@gmail.com, 16. 4. 2018 14:20)