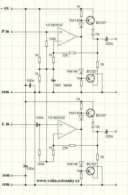
Sluchátkový stereo zesilovač s NE5532
Po výměně koncových tranzistorů je možné větší zesílení.
Více info HW server
Pro zvětšení klikněte na obrázky
V krabičce:
( místo ještě pro druhou 9V baterku zapojenou paraelně k první; přepínač baterie/ adaptér; vypínač; rozměry tak akorát do kapsy )
zdroj: HW server; schéma, úprava, fotky Volta190
Komentáře
Přehled komentářů
Takže dvě 9V baterky paralelně. Díky Volto
To tom:
(Volta, 18. 9. 2010 14:28)
zapojit paraelně 2 devíti voltový baterky ;)
Hlavně ne sériově :D
Nevím ja to vydrží, já ten zes moc nepoužívám
Baterka
(tom, 18. 9. 2010 14:22)Takže zapojit paralelně 2 baterky na 4,5V? Jak dlouho to vydrží?
To tom:
(Volta, 18. 9. 2010 14:20)
jistě že nakrmila.. Sám to tak mám.
Ale lepší je dát dvě paraelně ať to taky nějakou dobu vydrží hrát ;)
napájení
(tom, 18. 9. 2010 14:17)Ahoj, hele nakrmila by to normální baterka na 9V nebo to bude dělat nějakej brajgl?
To Danny:
(Volta, 18. 9. 2010 14:06)
Dají se připojit jakákolik sluchátka, ale...
- u "špuntů" je zbytečné připojovat zes - mp trojka sluchátka vybudí dostatečně sama
- zes se hodí pro náušní sluchátka. Jestli mi rozumíš jaký myslím.. třeba ty teslácký ARF310
- nebo pro malý repráčky řekněme do 1W
Sluchátka
(Danny, 18. 9. 2010 13:56)Poslední otázka, daj se tam připojit normální sluchátka ( třeba od MP3 )? Nemusej tam bejt nějaký s jinim odporem?
To Danny:
(Volta, 18. 9. 2010 13:35)Tak samozžejmě, použít je místo hliniku můžeš, ale myslím že u takto levnýho a jednoduchýho zesilu pro sluchátka to neni vůbec potřeba :)
tantal
(Danny, 18. 9. 2010 12:36)Zrovna tento zesilovač stavím a chci se zeptat jestli nestačí ten kondenzátor hliníkovej, jestli musí bejt dovopravdy tantalovej. Dík Danny
Modifikace :-)
(Patrik, 7. 11. 2009 19:50)když dám koncový tranzistory na 30w tak to pojede??? :-)
super
(bomba z proudu, 29. 9. 2009 0:20)Je to super Volto z tebe jednou něco ještě bude...





baterka
(tom, 18. 9. 2010 14:30)